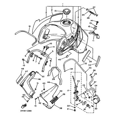
LUFTSTUTZEN 1
Artikelname: LUFTSTUTZEN 1
OEM: 3YF-2137W-00-G3 [3YF2137W00G3]
OEM: 3YF-2137W-00-G3 [3YF2137W00G3]






















