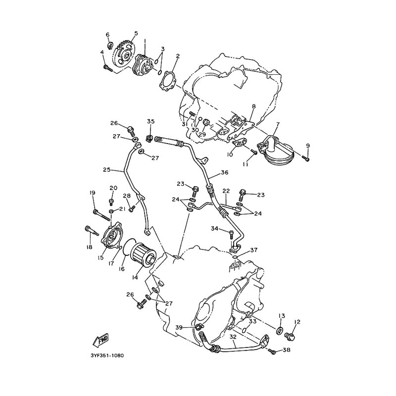
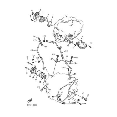
SCHLAUCH, OL 2
Artikelname: SCHLAUCH, OL 2
OEM: 3YF-13465-00 [3YF134650000]
OEM: 3YF-13465-00 [3YF134650000]




















