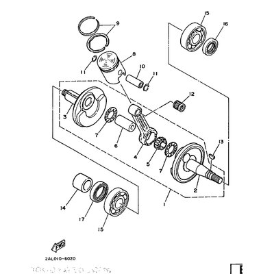
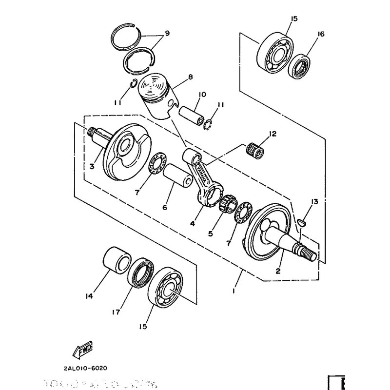
KOLBENRINGSATZ
Artikelname: KOLBENRINGSATZ
OEM: 2W1-11610-20 [2W1116102000]
OEM: 2W1-11610-20 [2W1116102000]






















