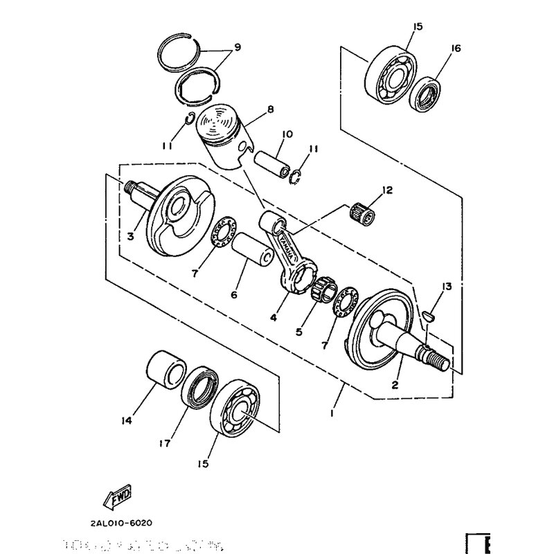
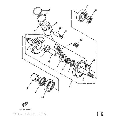
KOLBENRINGSATZ
Artikelname: KOLBENRINGSATZ
OEM: 2W1-11610-10 [2W1116101000]
OEM: 2W1-11610-10 [2W1116101000]






















