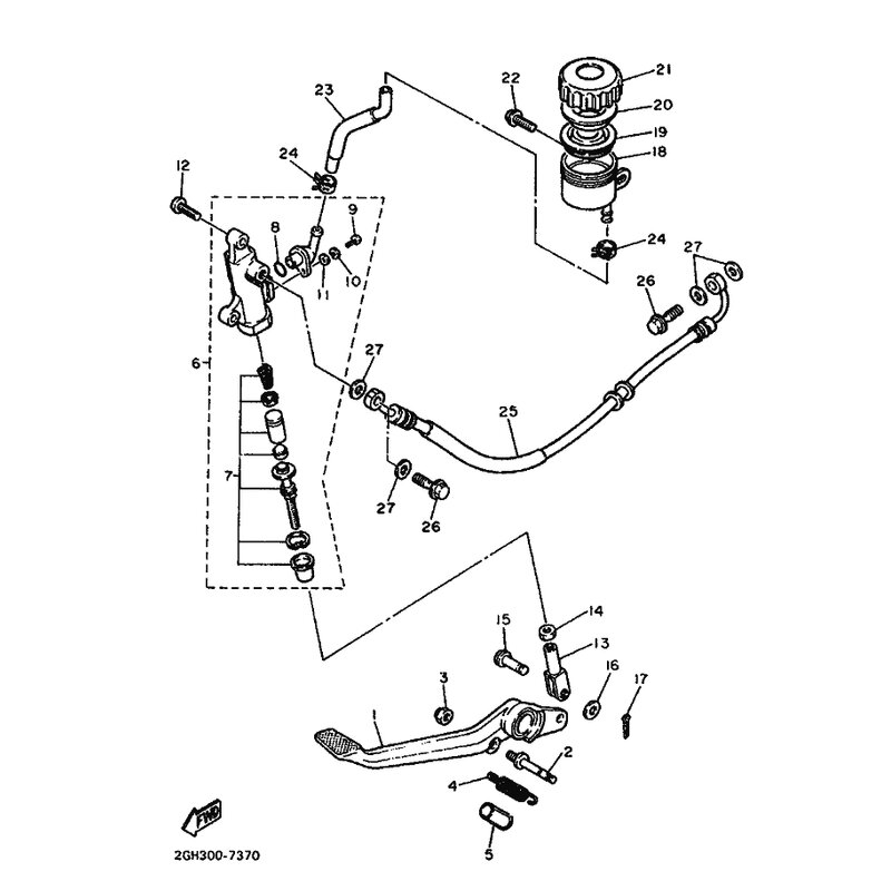
SCHLAUCH, BEHALTER
Artikelname: SCHLAUCH, BEHALTER
OEM: 2GH-25895-00 [2GH258950000]
OEM: 2GH-25895-00 [2GH258950000]




















