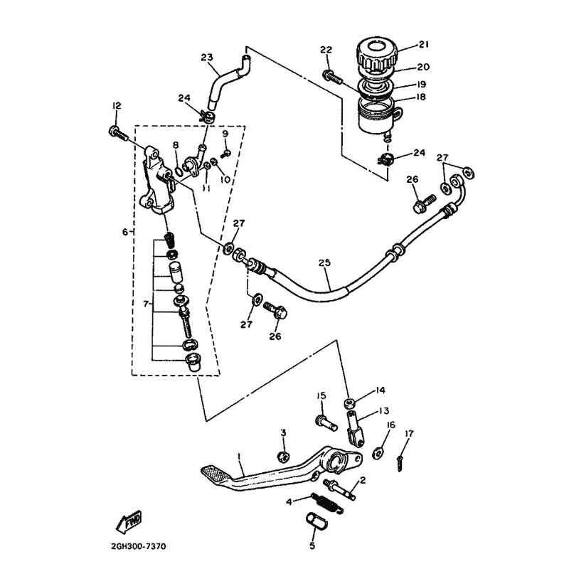
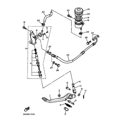
HAUPTBREMSZYLINDER KOMPL
Artikelname: HAUPTBREMSZYLINDER KOMPL
OEM: 2GH-25850-50 [2GH258505000]
OEM: 2GH-25850-50 [2GH258505000]




















