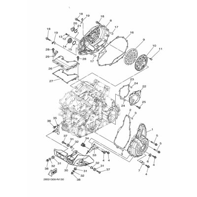
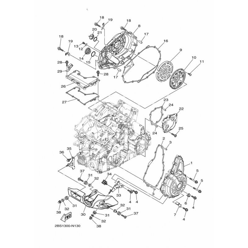
DECKEL, KURBELGEHAUSE 2
Artikelname: DECKEL, KURBELGEHAUSE 2
Hersteller: Yamaha
OEM Nummer: 23P154210100
Hersteller: Yamaha
OEM Nummer: 23P154210100




















