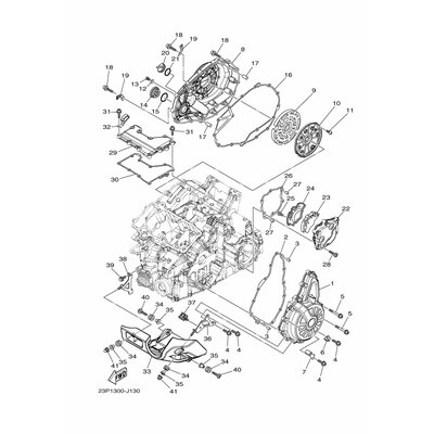
DECKEL, KURBELGEHAUSE 2
Artikelname: DECKEL, KURBELGEHAUSE 2
Hersteller: Yamaha
OEM Nummer: 23P154210000
Dieser Artikel wurde durch folgenden ersetzt: 23P154210100
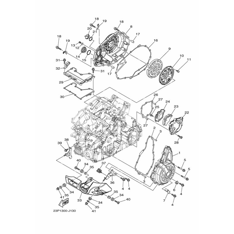
Hersteller: Yamaha
OEM Nummer: 23P154210000
Dieser Artikel wurde durch folgenden ersetzt: 23P154210100




















