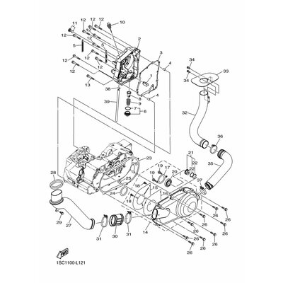
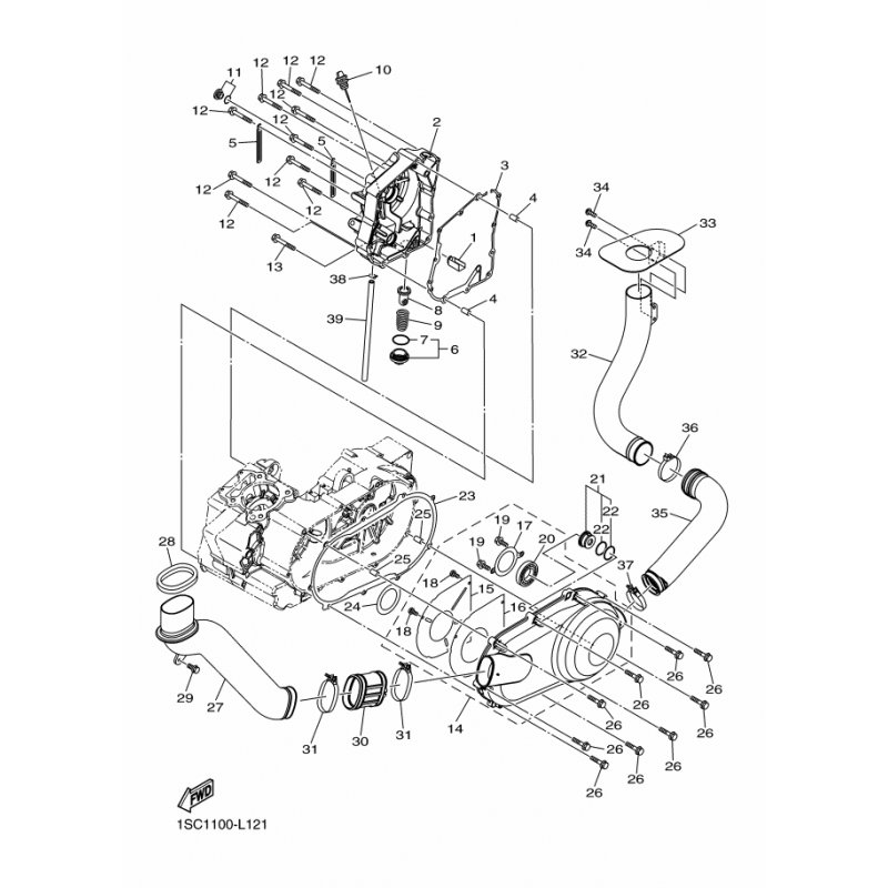
LUFTKANAL
Artikelname: LUFTKANAL
Hersteller: Yamaha
OEM Nummer: 1SCE54730000
Hersteller: Yamaha
OEM Nummer: 1SCE54730000




















