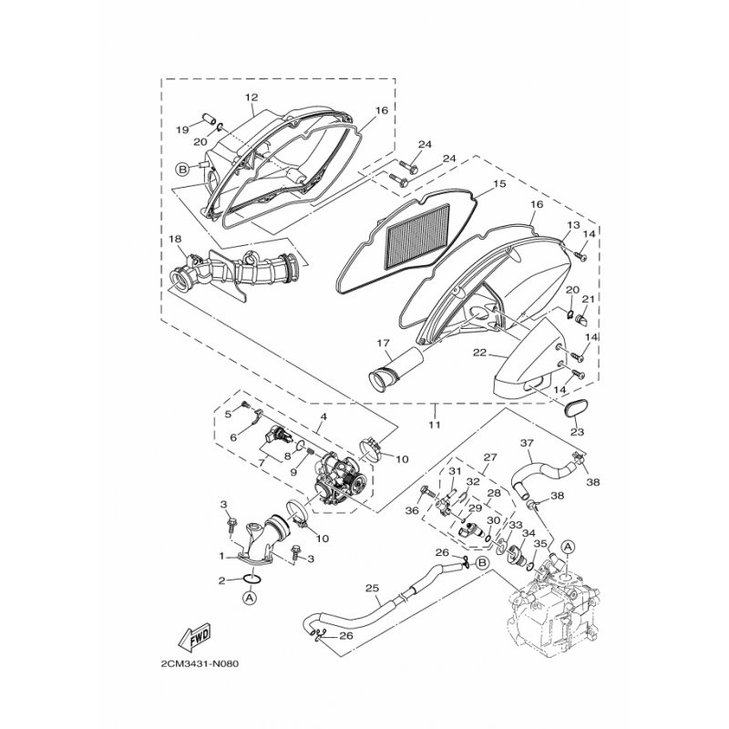
KRUMMER
Artikelname: KRUMMER
Hersteller: Yamaha
OEM Nummer: 1PNE35850000
Hersteller: Yamaha
OEM Nummer: 1PNE35850000




















