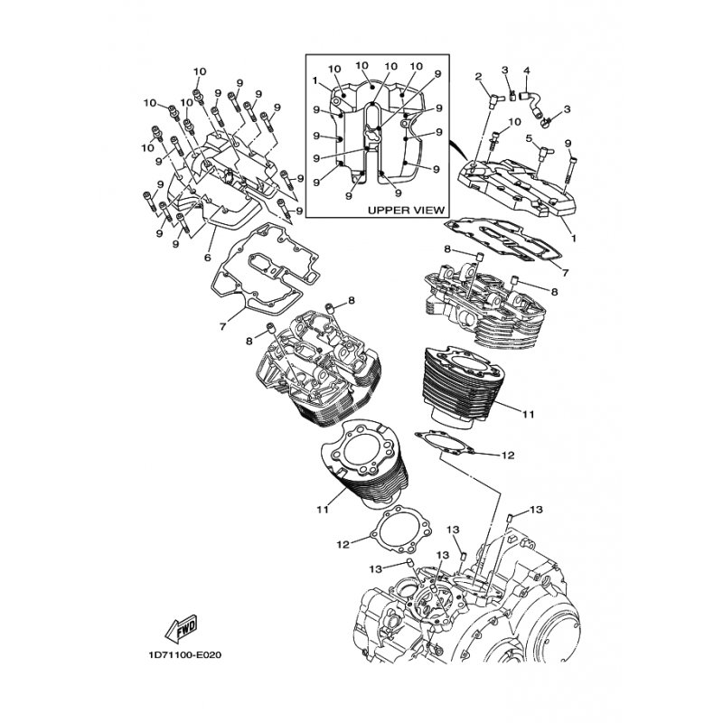
DECKEL, ZYLINDERKOPF 1
Artikelname: DECKEL, ZYLINDERKOPF 1
Hersteller: Yamaha
OEM Nummer: 1D7111911000
Hersteller: Yamaha
OEM Nummer: 1D7111911000




















