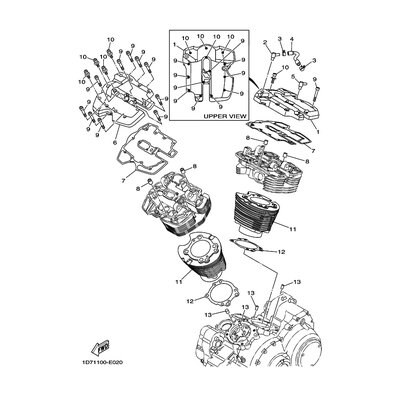
DECKEL, ZYLINDERKOPF 1
Artikelname: DECKEL, ZYLINDERKOPF 1
Hersteller: Yamaha
OEM Nummer: 1D7111910000
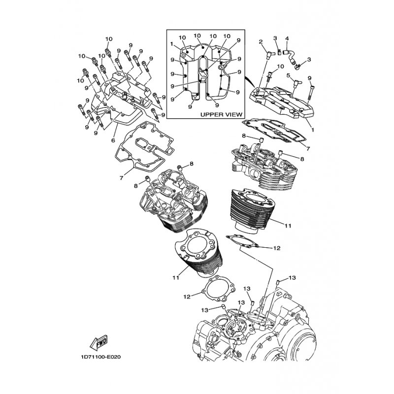
Hersteller: Yamaha
OEM Nummer: 1D7111910000




















