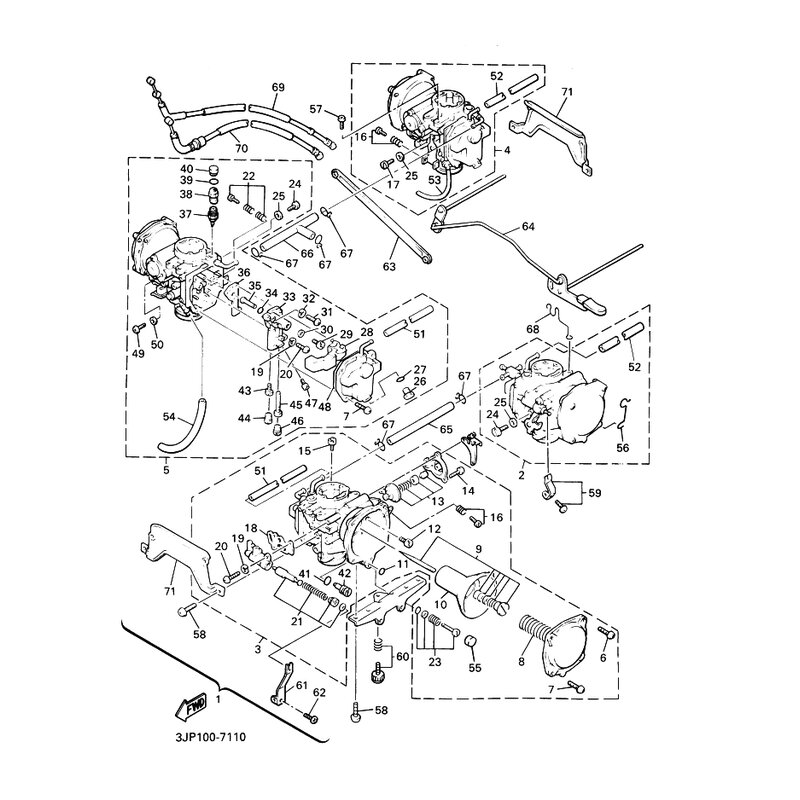
VERGASEREINHEIT 3
Artikelname: VERGASEREINHEIT 3
OEM: 1FK-14903-02 [1FK149030200]
OEM: 1FK-14903-02 [1FK149030200]






















