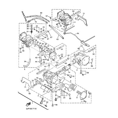
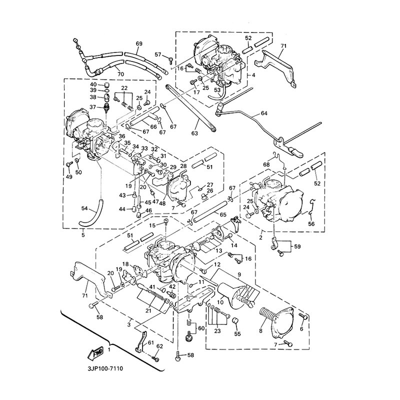
VERGASEREINHEIT 2
Artikelname: VERGASEREINHEIT 2
OEM: 1FK-14902-02 [1FK149020200]
OEM: 1FK-14902-02 [1FK149020200]






















