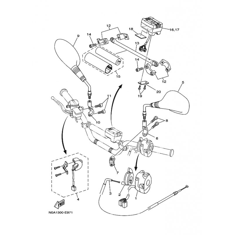
KONSOLE
Artikelname: KONSOLE
Hersteller: Yamaha
OEM Nummer: N0AF612E0000
Dieser Artikel wurde durch folgenden ersetzt: 10PF612E0000
Hersteller: Yamaha
OEM Nummer: N0AF612E0000
Dieser Artikel wurde durch folgenden ersetzt: 10PF612E0000




















