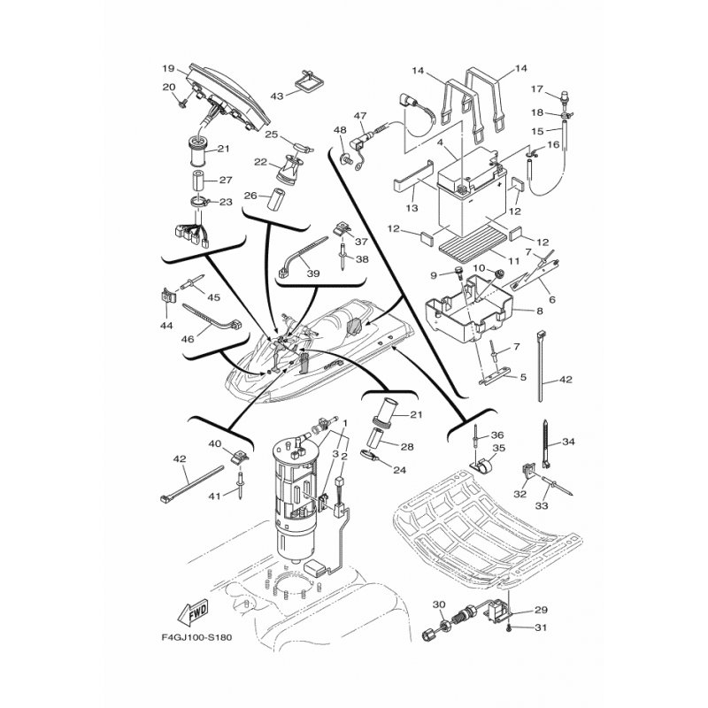
PACKING, HOSE 2
Artikelname: PACKING, HOSE 2
Hersteller: Yamaha
OEM Nummer: GJ1U75782100
Hersteller: Yamaha
OEM Nummer: GJ1U75782100






















