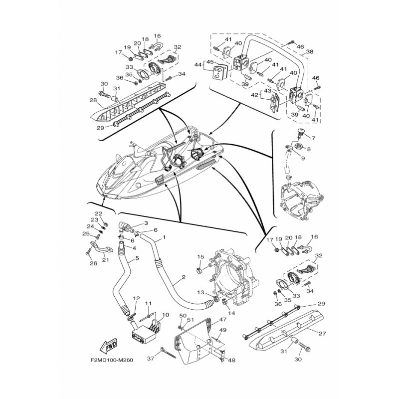
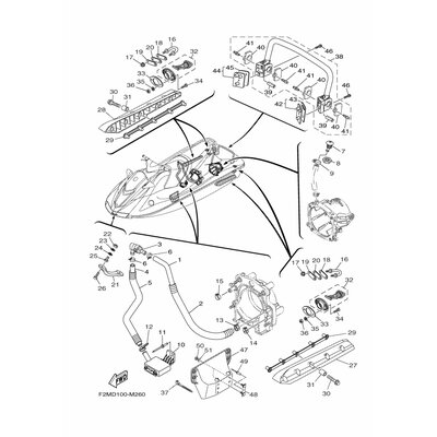
BRACKET, LADDER RH
Artikelname: BRACKET, LADDER RH
Hersteller: Yamaha
OEM Nummer: F2LU278G0100
Hersteller: Yamaha
OEM Nummer: F2LU278G0100






















