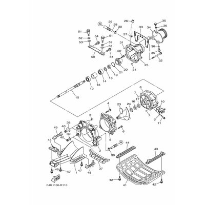
UNTERLEGSCHEIBE
Artikelname: UNTERLEGSCHEIBE
Hersteller: Yamaha
OEM Nummer: F1SU725E0100
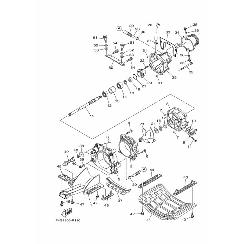
Hersteller: Yamaha
OEM Nummer: F1SU725E0100






















