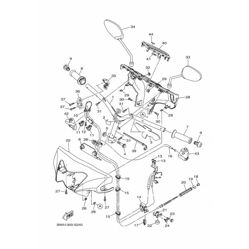
OBERE LENKERABDECKUNG 2
Artikelname: OBERE LENKERABDECKUNG 2
Hersteller: Yamaha
OEM Nummer: BW5F614500P0
Hersteller: Yamaha
OEM Nummer: BW5F614500P0






















