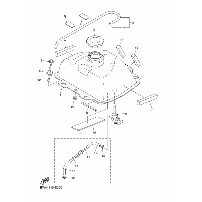
VERSCHLUSSKAPPE KOMPL.
Artikelname: VERSCHLUSSKAPPE KOMPL.
Hersteller: Yamaha
OEM Nummer: BW4F46100000
Hersteller: Yamaha
OEM Nummer: BW4F46100000






















