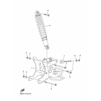
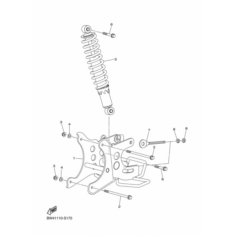
STOSSDAMPFEREINHEIT, HINTEN
Artikelname: STOSSDAMPFEREINHEIT, HINTEN
Hersteller: Yamaha
OEM Nummer: BW4F22100000
Hersteller: Yamaha
OEM Nummer: BW4F22100000




















