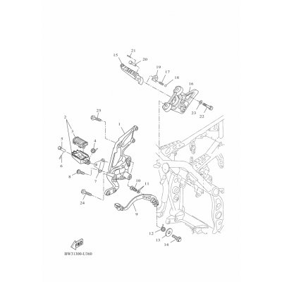
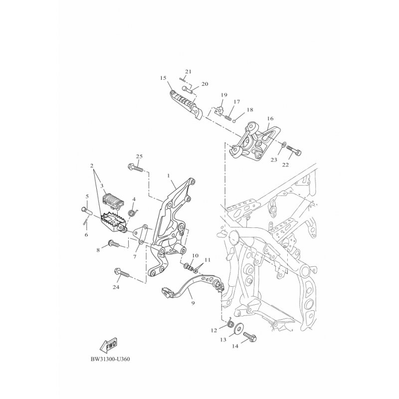
FUSSRASTENEINHEIT 2
Artikelname: FUSSRASTENEINHEIT 2
Hersteller: Yamaha
OEM Nummer: BW3F74040000
Hersteller: Yamaha
OEM Nummer: BW3F74040000






















