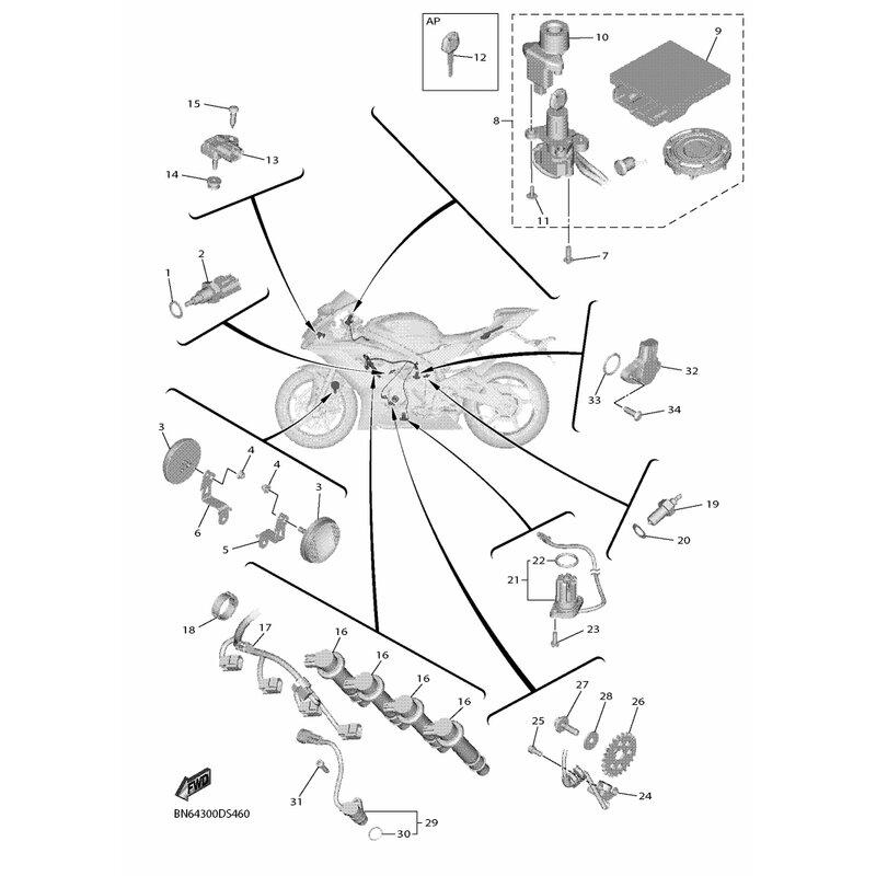
REGELEINHEIT
Artikelname: REGELEINHEIT
Hersteller: Yamaha
OEM Nummer: BN68591A0000
Hersteller: Yamaha
OEM Nummer: BN68591A0000




















