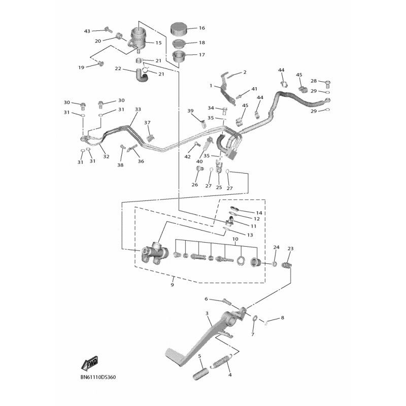
KONSOLE 1
Artikelname: KONSOLE 1
Hersteller: Yamaha
OEM Nummer: BN62787A0000
Hersteller: Yamaha
OEM Nummer: BN62787A0000






















