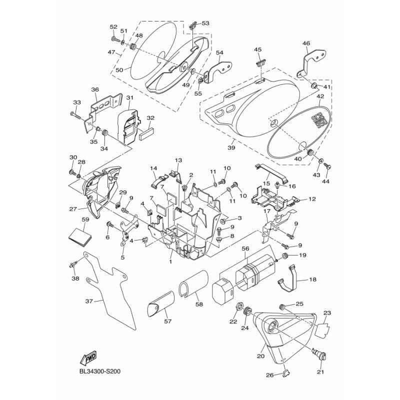
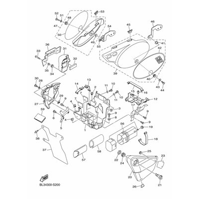
STUTZE, SEITENDECKEL 2
Artikelname: STUTZE, SEITENDECKEL 2
Hersteller: Yamaha
OEM Nummer: BL32174E0000
Hersteller: Yamaha
OEM Nummer: BL32174E0000






















