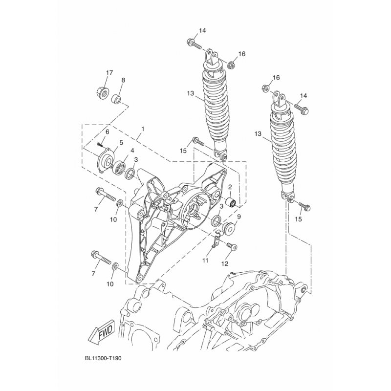
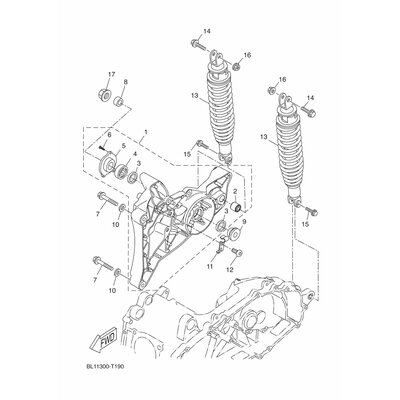
STOSSDAMPFEREINHEIT, HINTEN
Artikelname: STOSSDAMPFEREINHEIT, HINTEN
Hersteller: Yamaha
OEM Nummer: BL1F22100100
Hersteller: Yamaha
OEM Nummer: BL1F22100100




















