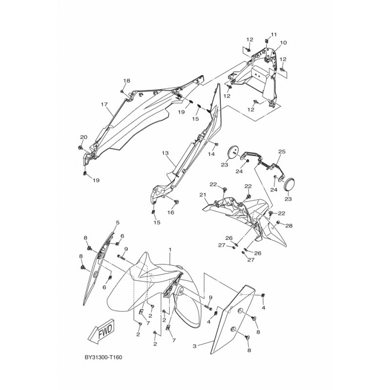
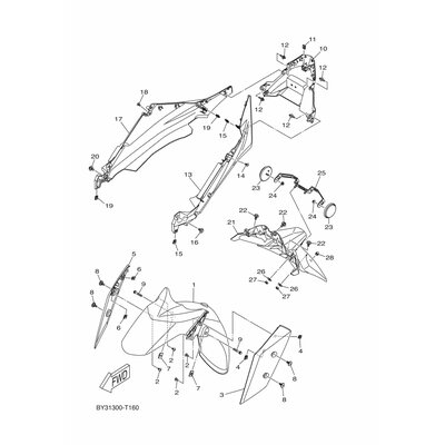
STUTZE, KOTFLUGEL 2
Artikelname: STUTZE, KOTFLUGEL 2
Hersteller: Yamaha
OEM Nummer: BL1F151400P5
Hersteller: Yamaha
OEM Nummer: BL1F151400P5






















