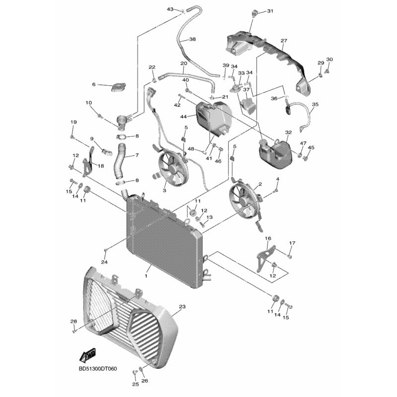
KUHLER
Artikelname: KUHLER
Hersteller: Yamaha
OEM Nummer: BD5124610000
Hersteller: Yamaha
OEM Nummer: BD5124610000




















