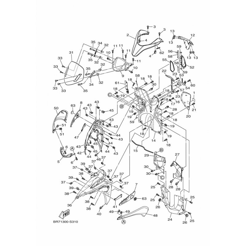
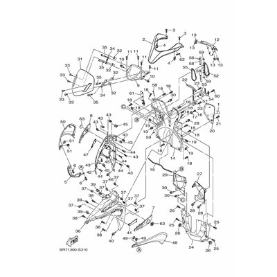
DECKEL
Artikelname: DECKEL
Hersteller: Yamaha
OEM Nummer: BB8F831300AL
Hersteller: Yamaha
OEM Nummer: BB8F831300AL






















