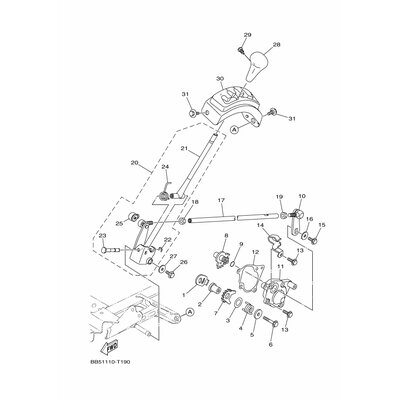
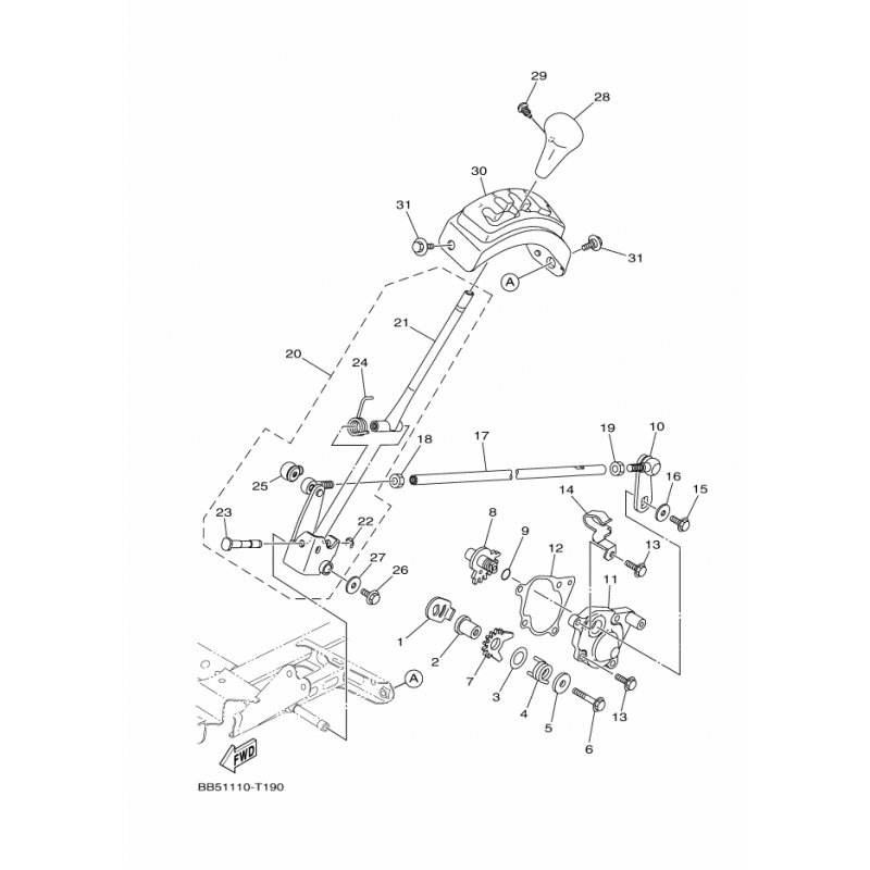
SCHALTFUHRUNG
Artikelname: SCHALTFUHRUNG
Hersteller: Yamaha
OEM Nummer: BB5E81720100
Hersteller: Yamaha
OEM Nummer: BB5E81720100






















