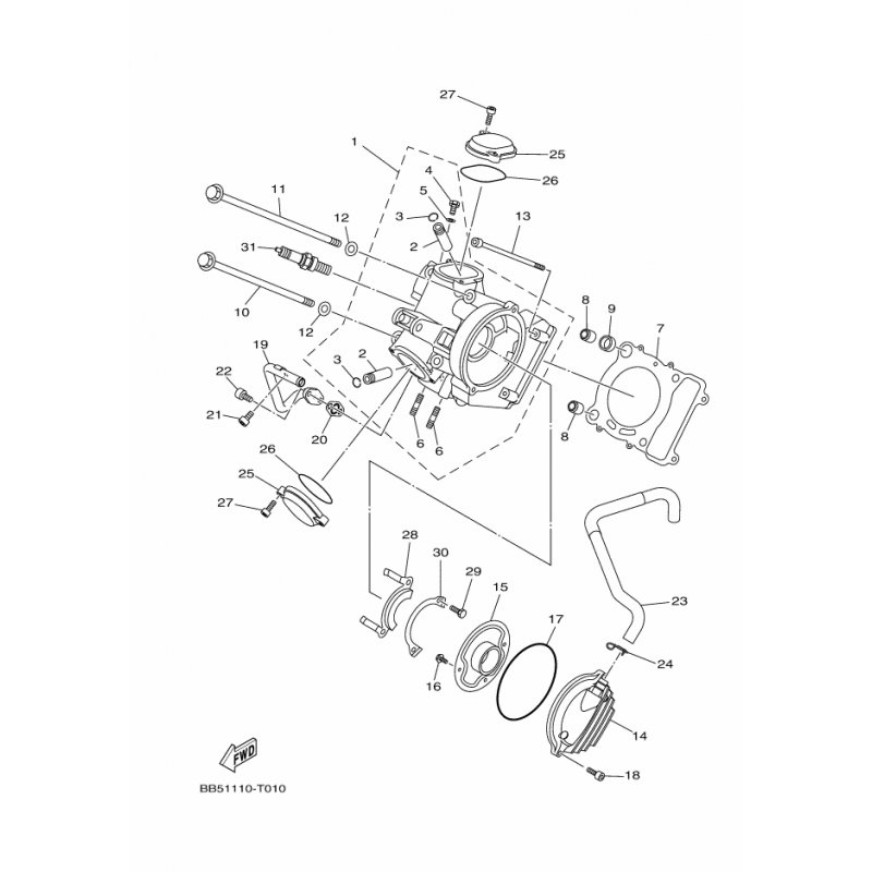
ROHR, BELUFTUNG 1
Artikelname: ROHR, BELUFTUNG 1
Hersteller: Yamaha
OEM Nummer: BB5E11660000
Hersteller: Yamaha
OEM Nummer: BB5E11660000




















