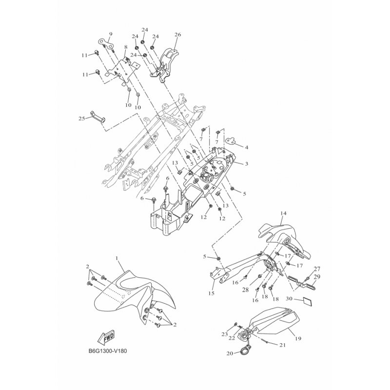
KOTFLUGEL, HINTERRAD
Artikelname: KOTFLUGEL, HINTERRAD
Hersteller: Yamaha
OEM Nummer: B9DF16110000
Hersteller: Yamaha
OEM Nummer: B9DF16110000






















