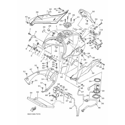
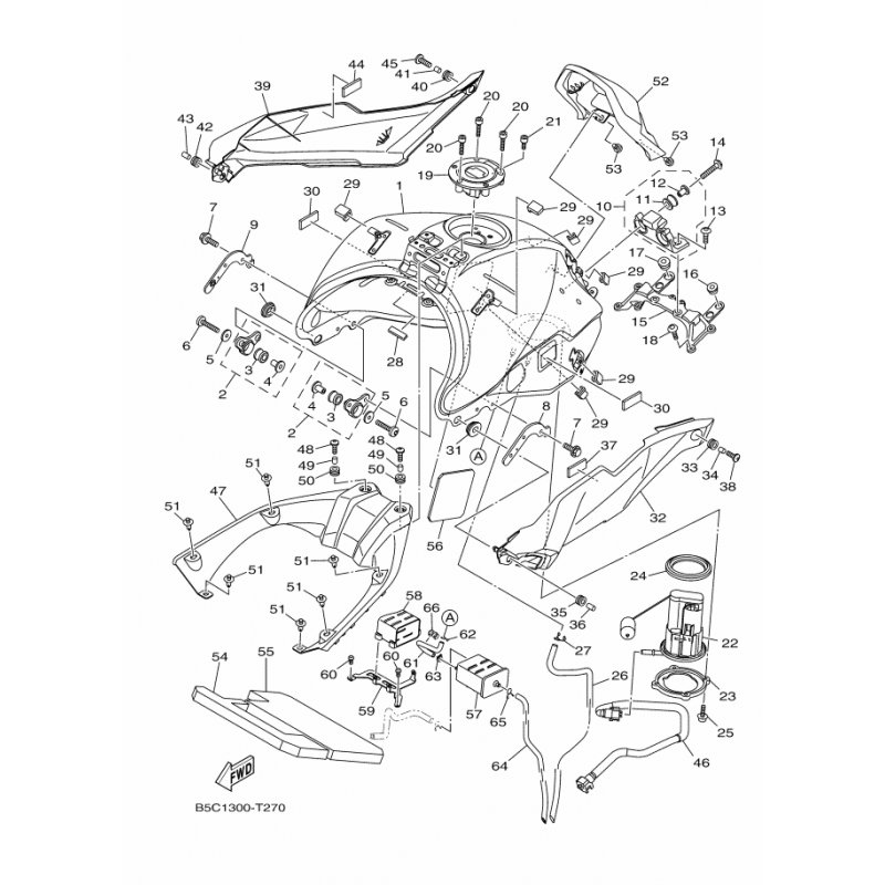
BRACKET, CANISTOR
Artikelname: BRACKET, CANISTOR
Hersteller: Yamaha
OEM Nummer: B902419F0000
Hersteller: Yamaha
OEM Nummer: B902419F0000




















