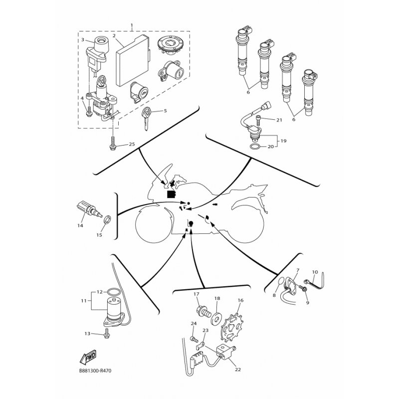
MAIN SW. IMMOBILIZ
Artikelname: MAIN SW. IMMOBILIZ
Hersteller: Yamaha
OEM Nummer: B88W82504000
Dieser Artikel wurde durch folgenden ersetzt: B88W82504100
Hersteller: Yamaha
OEM Nummer: B88W82504000
Dieser Artikel wurde durch folgenden ersetzt: B88W82504100




















