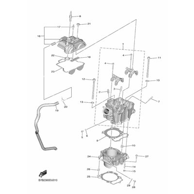
ZYLINDERKOPF
Artikelname: ZYLINDERKOPF
Hersteller: Yamaha
OEM Nummer: B7B111010900
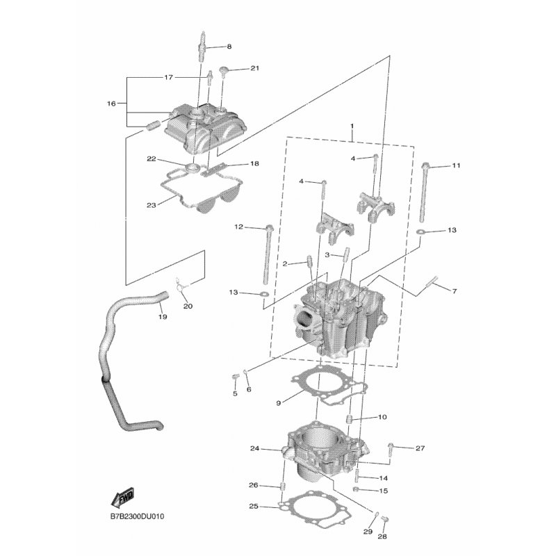
Hersteller: Yamaha
OEM Nummer: B7B111010900






















