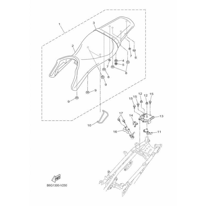
KONSOLE
Artikelname: KONSOLE
Hersteller: Yamaha
OEM Nummer: B6GF256L0000
Hersteller: Yamaha
OEM Nummer: B6GF256L0000




















