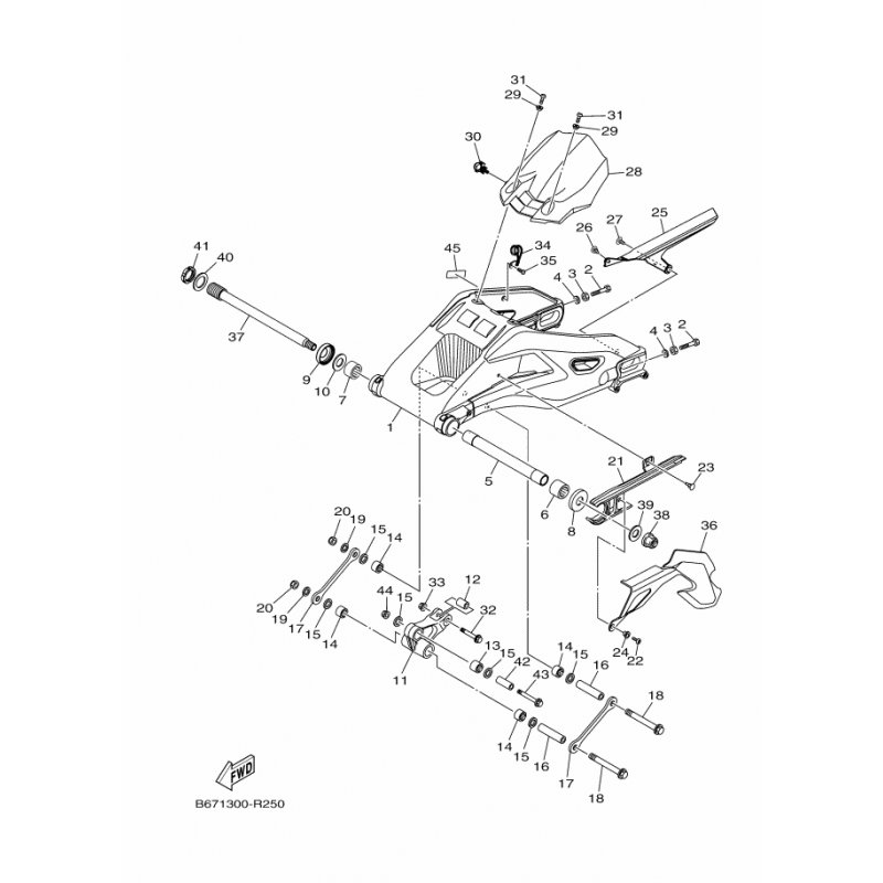
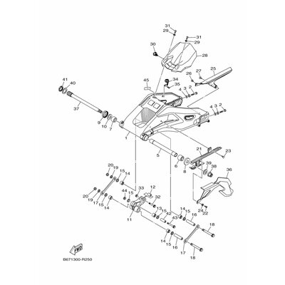
ARM 1
Artikelname: ARM 1
Hersteller: Yamaha
OEM Nummer: B672217M0000
Hersteller: Yamaha
OEM Nummer: B672217M0000






















