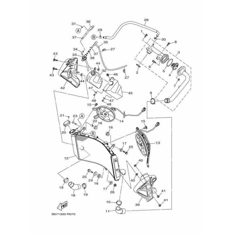
BELUFTUNGSROHR
Artikelname: BELUFTUNGSROHR
Hersteller: Yamaha
OEM Nummer: B67218260000
Hersteller: Yamaha
OEM Nummer: B67218260000




















