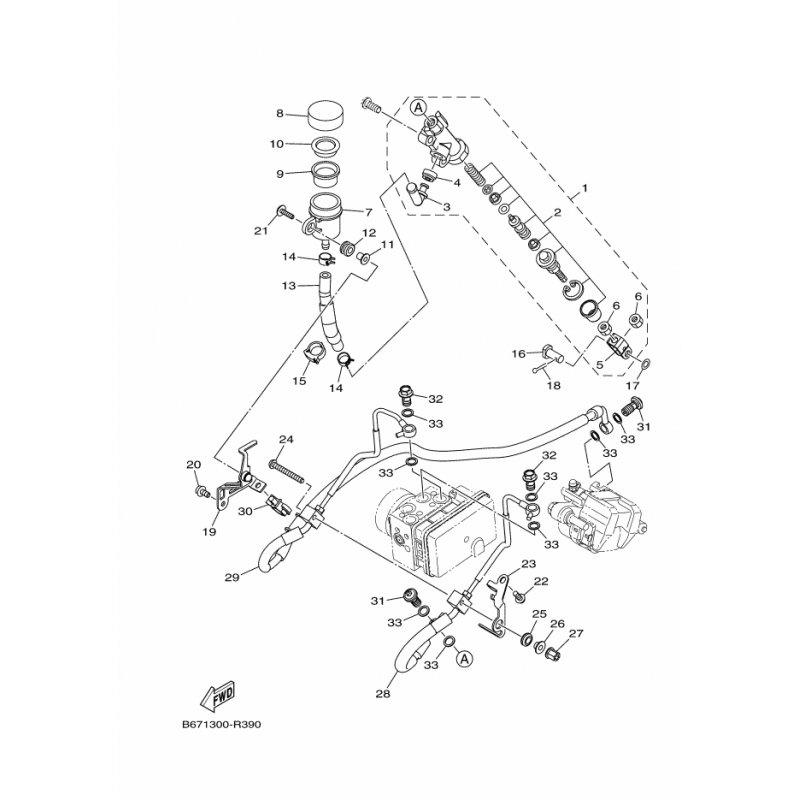
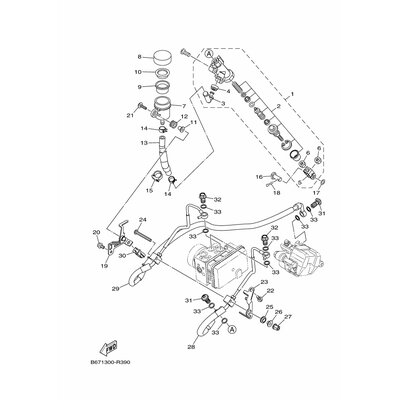
BRACKET, RESERVE T
Artikelname: BRACKET, RESERVE T
Hersteller: Yamaha
OEM Nummer: B67212280000
Hersteller: Yamaha
OEM Nummer: B67212280000




















