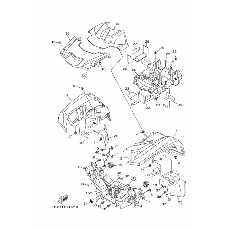
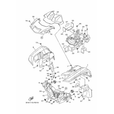
VORDERRAD-KOTFLUGEL KOMPL.
Artikelname: VORDERRAD-KOTFLUGEL KOMPL.
Hersteller: Yamaha
OEM Nummer: B5KF15007000
Hersteller: Yamaha
OEM Nummer: B5KF15007000






















