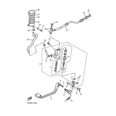
H. HAUPTBREMSZYLINDER KOMP.
Artikelname: H. HAUPTBREMSZYLINDER KOMP.
Hersteller: Yamaha
OEM Nummer: B5GF583V0000
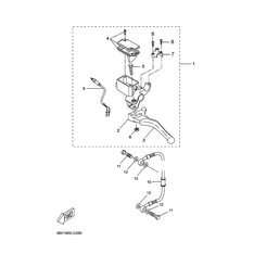
Hersteller: Yamaha
OEM Nummer: B5GF583V0000




















