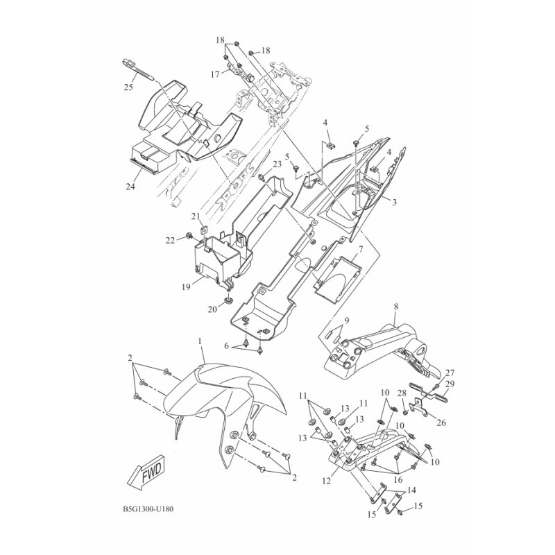
KOTFLUGEL, VORNE
Artikelname: KOTFLUGEL, VORNE
Hersteller: Yamaha
OEM Nummer: B5GF151100P3
Hersteller: Yamaha
OEM Nummer: B5GF151100P3




















