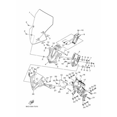
PLATTE, VORNE
Artikelname: PLATTE, VORNE
Hersteller: Yamaha
OEM Nummer: B5C283610000
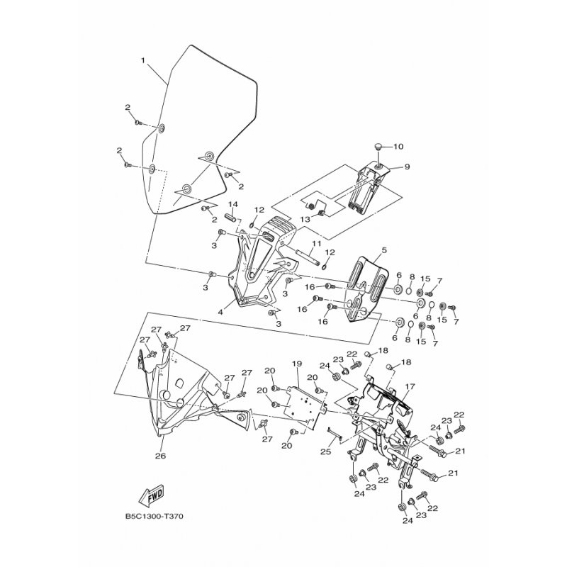
Hersteller: Yamaha
OEM Nummer: B5C283610000






















