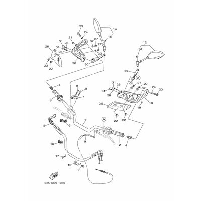
GRIFFENDE
Artikelname: GRIFFENDE
Hersteller: Yamaha
OEM Nummer: B5C262460000
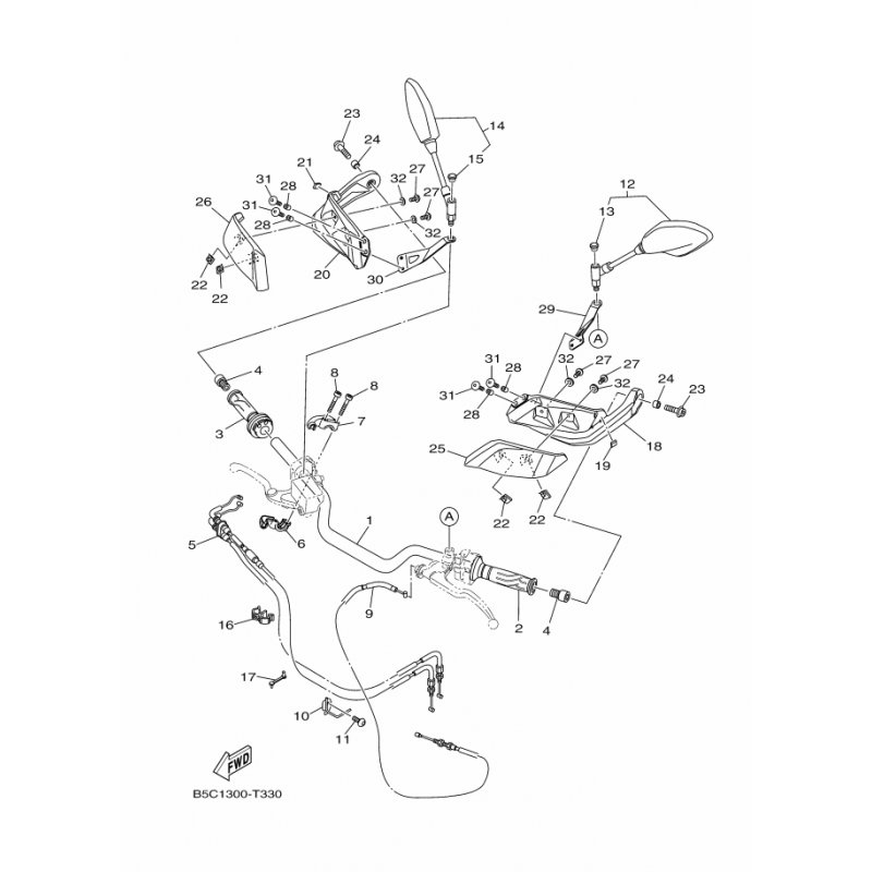
Hersteller: Yamaha
OEM Nummer: B5C262460000






















