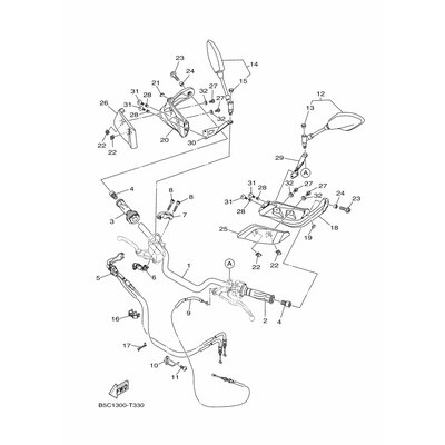
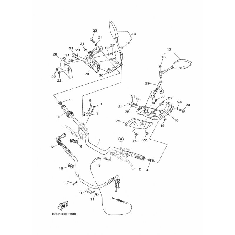
BURSTENSCHUTZ 2
Artikelname: BURSTENSCHUTZ 2
Hersteller: Yamaha
OEM Nummer: B5C261420000
Hersteller: Yamaha
OEM Nummer: B5C261420000






















