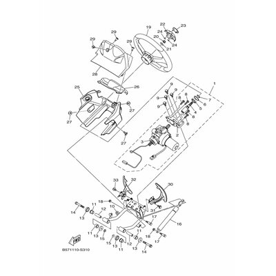
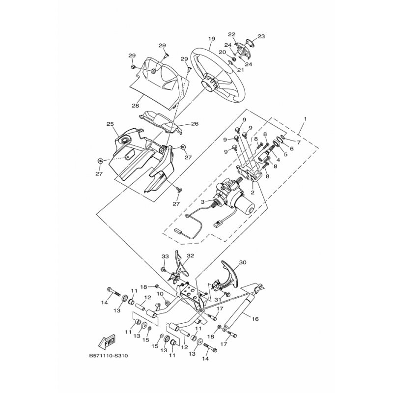
STEERING GATE COMP
Artikelname: STEERING GATE COMP
Hersteller: Yamaha
OEM Nummer: B57F38700000
Hersteller: Yamaha
OEM Nummer: B57F38700000




















