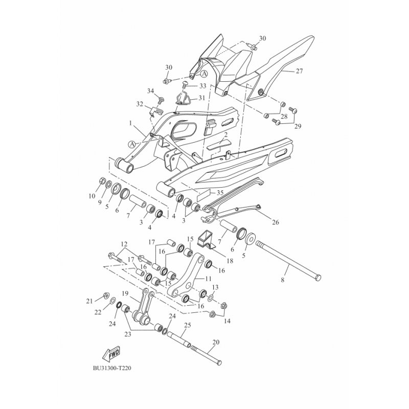
HINTERRAD-KOTFLUGEL KOMPL.
Artikelname: HINTERRAD-KOTFLUGEL KOMPL.
Hersteller: Yamaha
OEM Nummer: B34F16500200
Hersteller: Yamaha
OEM Nummer: B34F16500200




















