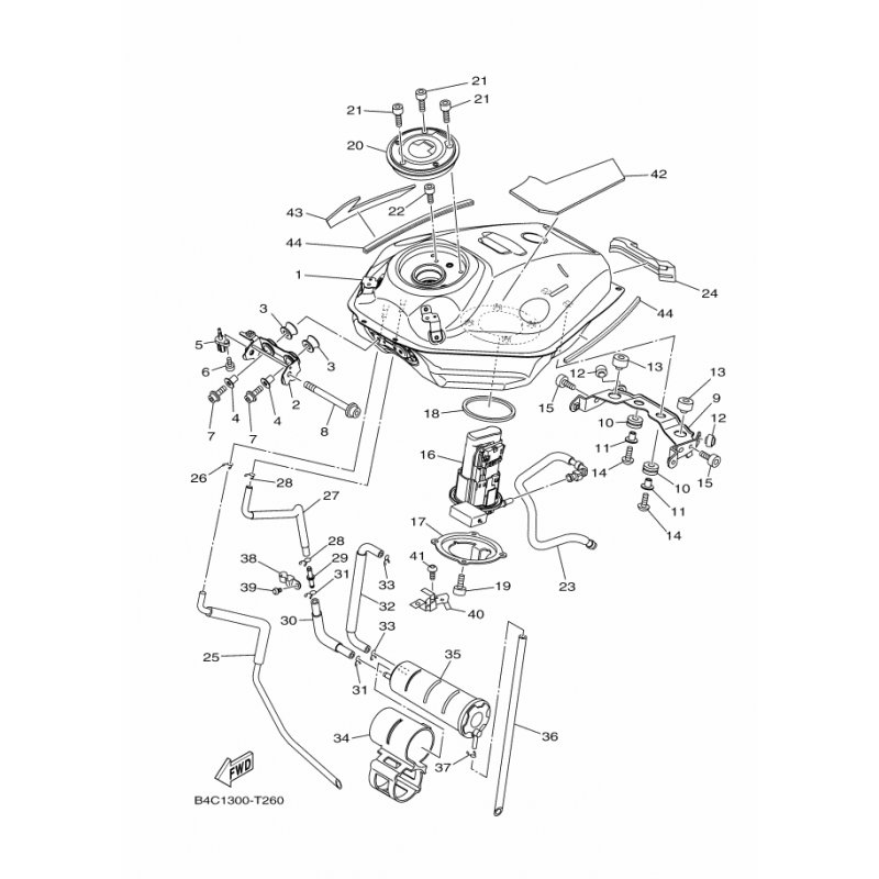
ROHR 10
Artikelname: ROHR 10
Hersteller: Yamaha
OEM Nummer: B2G243210000
Hersteller: Yamaha
OEM Nummer: B2G243210000






















