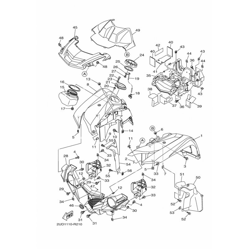
VORDERRAD-KOTFLUGEL KOMPL.
Artikelname: VORDERRAD-KOTFLUGEL KOMPL.
Hersteller: Yamaha
OEM Nummer: B1AF15004000
Hersteller: Yamaha
OEM Nummer: B1AF15004000




















