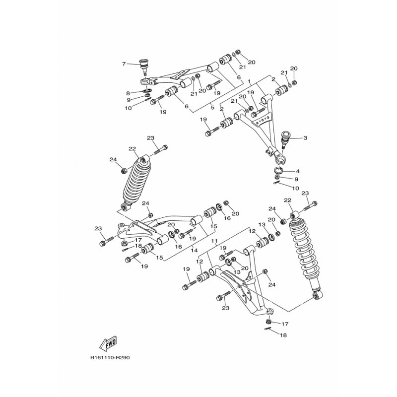
STOSSDAMPFEREINHEIT
Artikelname: STOSSDAMPFEREINHEIT
Hersteller: Yamaha
OEM Nummer: B16F33500000
Hersteller: Yamaha
OEM Nummer: B16F33500000






















